
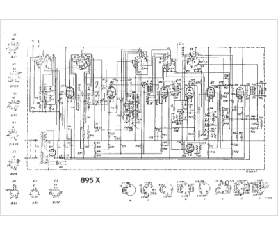
Marque :
Philips
Modèle :
895 x (Sonate)
Type appareil :
récepteur à tubes
Année :
1939
Pays d'origine :
Pays-Bas, Suisse, Espagne, Allemagne
