
Marque :
Philips
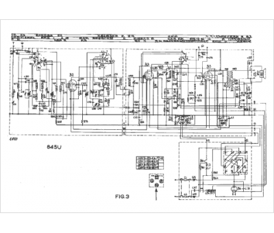
Modèle :
845U
Type appareil :
récepteur à tubes
Année :
1942
Pays d'origine :
Pays-Bas, Suisse, Espagne, Allemagne
