
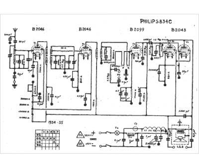
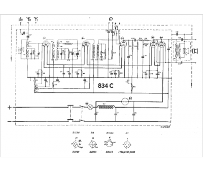
Marque :
Philips
Modèle :
834C
Type appareil :
récepteur à tubes
Année :
1934
Pays d'origine :
Pays-Bas, Suisse, Espagne, Allemagne
