Retour à l'accueil
 
 
Recherche de schémas
Collection CD/DVD

Service schémathèque 

5 documents correspondent à votre recherche.

Caractéristiques de l'appareil
Marque :
Philips
Modèle :
834A
Type appareil :
récepteur à tubes
Année :
1933
Pays d'origine :
Pays-Bas, Suisse, Espagne, Allemagne
5 documents correspondant à cet appareil
Schéma NSF YD 4 A, Philips 824A, Philips 834A
1 page
Document présent dans Rétro-schémas 2 Acheter
En ligne, disponible en téléchargement Télécharger
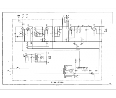
Schéma Philips 824A, Philips 834A
2 pages.
Document présent dans Rétro-schémas 2 Acheter
En ligne, disponible en téléchargement Télécharger
Schéma Philips 834A
2 pages.
Document présent dans Rétro-schémas 2 Acheter
En ligne, disponible en téléchargement Télécharger
Manuel Philips 824 A, Philips 834 A
19 pages.
Document présent dans Rétro-docs 3 Acheter
En ligne, disponible en téléchargement Télécharger
Schéma Philips 834 A
17 pages.
Document présent dans Rétro-docs 8 Acheter
En ligne, disponible en téléchargement Télécharger
Vous pouvez regrouper les téléchargements Tout télécharger
La consultation de cet espace schémathèque est en accès libre.