
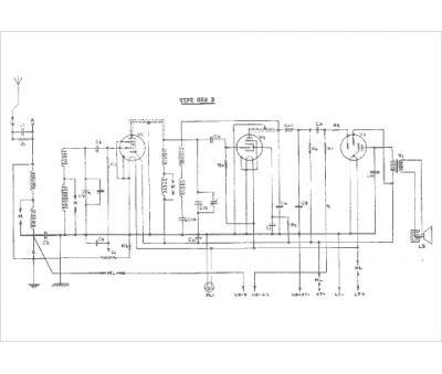
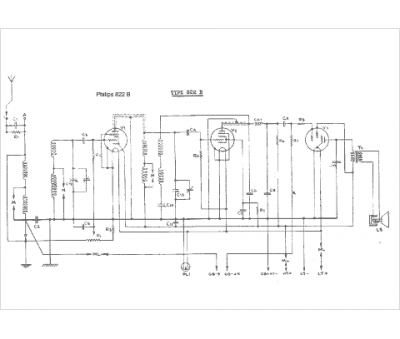
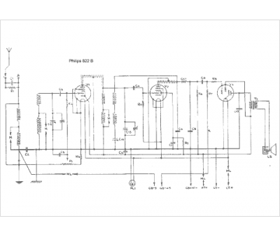
Marque :
Philips
Modèle :
822B
Type appareil :
récepteur à tubes
Année :
1935
Pays d'origine :
Pays-Bas, Suisse, Espagne, Allemagne
