Retour à l'accueil
 
 
Recherche de schémas
Collection CD/DVD

Service schémathèque 

4 documents correspondent à votre recherche.

Caractéristiques de l'appareil
Marque :
Philips
Modèle :
777RF
Type appareil :
récepteur à tubes
Pays d'origine :
Pays-Bas, Suisse, Espagne, Allemagne
4 documents correspondant à cet appareil
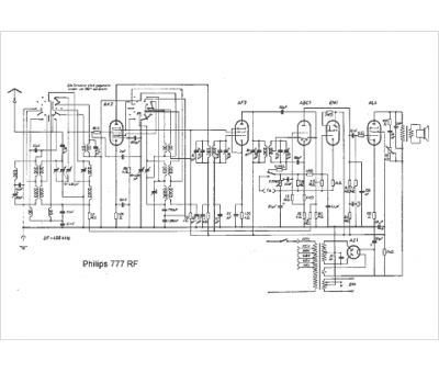
Schéma Philips 777RF
1 page
Document présent dans Rétro-schémas 2 Acheter
En ligne, disponible en téléchargement Télécharger
Suppl. Philips 777 RF
1 page
Document présent dans Rétro-docs 3 Acheter
En ligne, disponible en téléchargement Télécharger
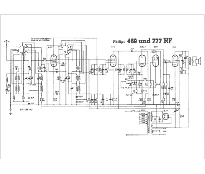
Schéma Philips 469, Philips 777 RF
1 page
Document présent dans Rétro-docs 5 Acheter
En ligne, disponible en téléchargement Télécharger
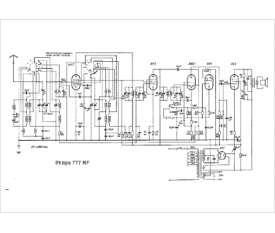
Schéma Philips 777 RF
1 page
Document présent dans Rétro-docs 8 Acheter
En ligne, disponible en téléchargement Télécharger
Vous pouvez regrouper les téléchargements Tout télécharger
La consultation de cet espace schémathèque est en accès libre.