
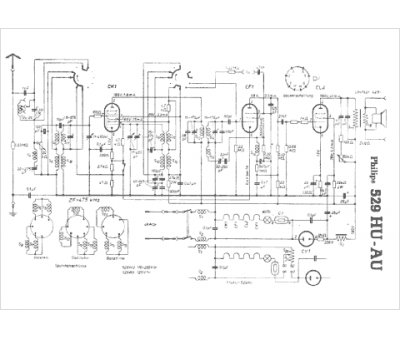
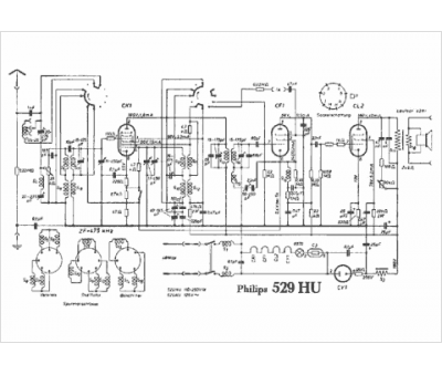
Marque :
Philips
Modèle :
529 HU-AU
Type appareil :
récepteur à tubes
Pays d'origine :
Pays-Bas, Suisse, Espagne, Allemagne
