
Marque :
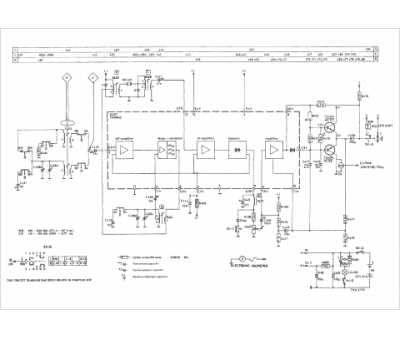
Philips
Modèle :
50 IC 103
Type appareil :
récepteur à transistors
Pays d'origine :
Pays-Bas, Suisse, Espagne, Allemagne
