
Marque :
															Philips																																															
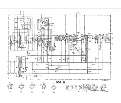
														Modèle :
																461A (Loisirs)																																	
															Type appareil :
																récepteur à tubes
															Année :
																1937
															Pays d'origine :
																Pays-Bas, Suisse, Espagne, Allemagne
															




