
Marque :
Philips
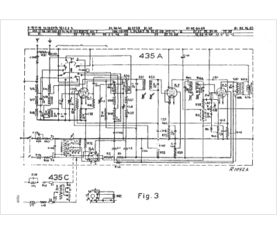
Modèle :
435 A - 1940
Type appareil :
récepteur à tubes
Pays d'origine :
Pays-Bas, Suisse, Espagne, Allemagne
