Retour à l'accueil
 
 
Recherche de schémas
Collection CD/DVD

Service schémathèque 

4 documents correspondent à votre recherche.

Caractéristiques de l'appareil
Marque :
Philips
Modèle :
42A
Type appareil :
récepteur à tubes
Pays d'origine :
Pays-Bas, Suisse, Espagne, Allemagne
4 documents correspondant à cet appareil
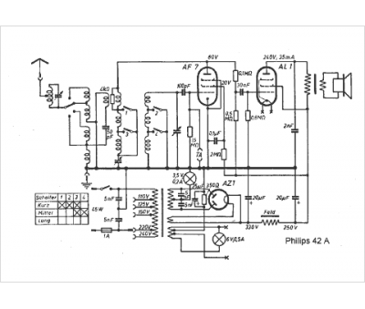
Schéma Philips 42A
1 page
Document présent dans Rétro-schémas 2 Acheter
En ligne, disponible en téléchargement Télécharger
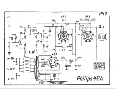
Suppl. Philips 42 A
1 page
Document présent dans Rétro-docs 3 Acheter
En ligne, disponible en téléchargement Télécharger
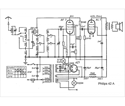
Schéma Philips 42 A
1 page
Document présent dans Rétro-docs 5 Acheter
En ligne, disponible en téléchargement Télécharger
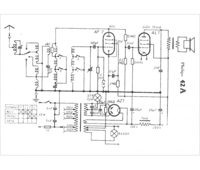
Schéma Philips 42 A
3 pages.
Document présent dans Rétro-docs 8 Acheter
En ligne, disponible en téléchargement Télécharger
Vous pouvez regrouper les téléchargements Tout télécharger
La consultation de cet espace schémathèque est en accès libre.