
Marque :
Philips
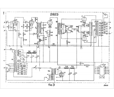
Modèle :
2823
Type appareil :
amplificateur à tubes
Pays d'origine :
Pays-Bas, Suisse, Espagne, Allemagne
