
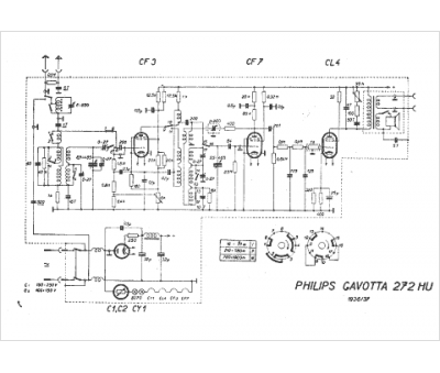
Marque :
Philips
Modèle :
272 HU (Gavotta)
Type appareil :
récepteur à tubes
Année :
1936
Pays d'origine :
Pays-Bas, Suisse, Espagne, Allemagne
