
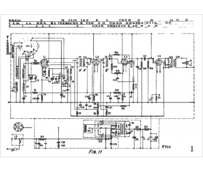
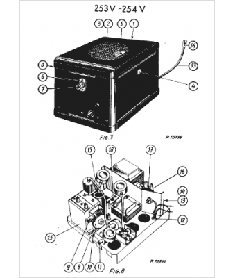
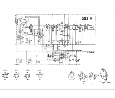
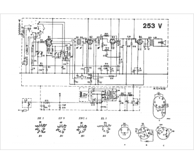
Marque :
															Philips																																															
														Modèle :
																253V																																	
															Type appareil :
																récepteur à tubes
															Année :
																1947
															Pays d'origine :
																Pays-Bas, Suisse, Espagne, Allemagne
															




