
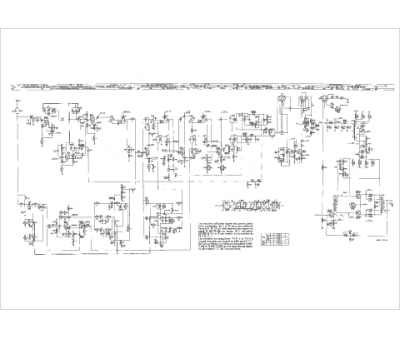
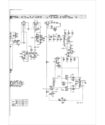
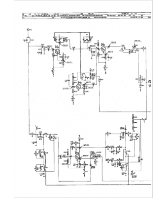
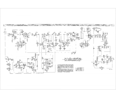
Marque :
Philips
Modèle :
22rn661
Type appareil :
auto-radio à tubes
Pays d'origine :
Pays-Bas, Suisse, Espagne, Allemagne
