
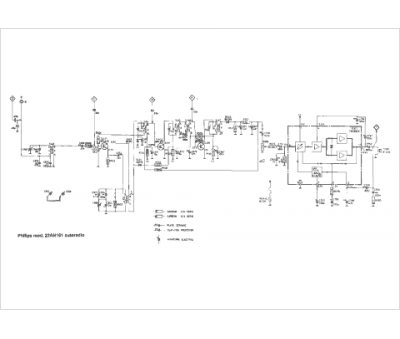
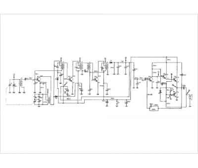
Marque :
Philips
Modèle :
22 AN 161
Type appareil :
auto-radio à transistors
Pays d'origine :
Pays-Bas, Suisse, Espagne, Allemagne
