
Marque :
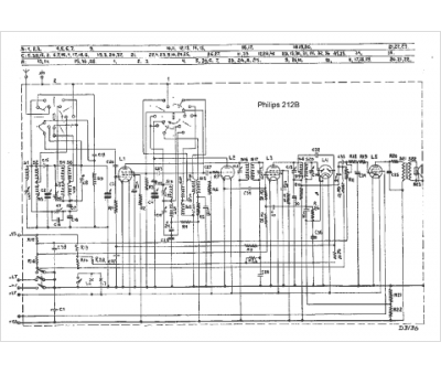
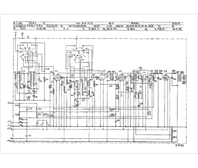
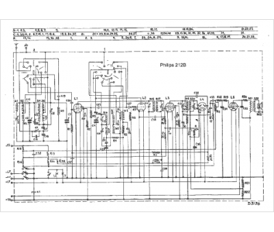
Philips
Modèle :
212B
Type appareil :
récepteur à tubes
Année :
1938
Pays d'origine :
Pays-Bas, Suisse, Espagne, Allemagne
