
Marque :
Philips
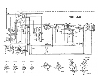
Modèle :
208U-49
Type appareil :
récepteur à tubes
Année :
1944
Pays d'origine :
Pays-Bas, Suisse, Espagne, Allemagne
