
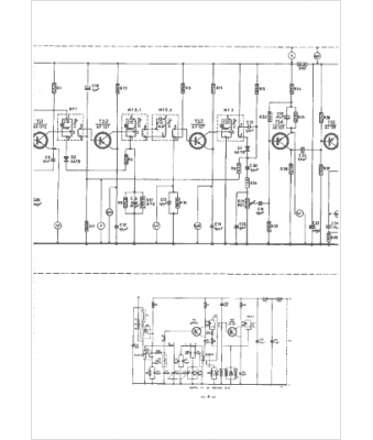
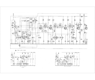
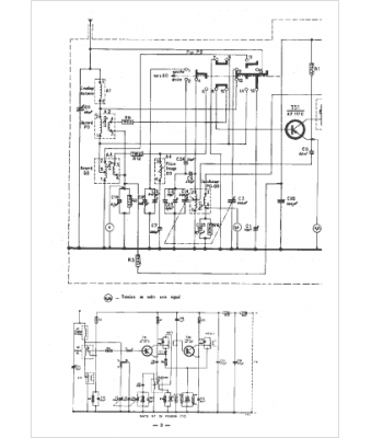
Marque :
Philips
Modèle :
11rn266
Type appareil :
auto-radio à tubes
Pays d'origine :
Pays-Bas, Suisse, Espagne, Allemagne
