
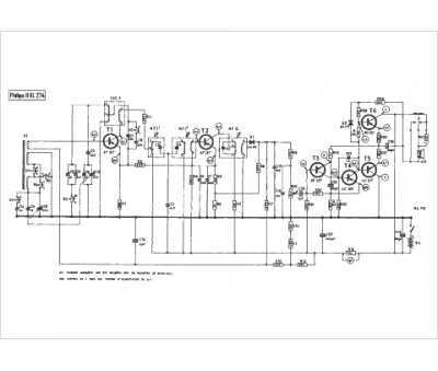
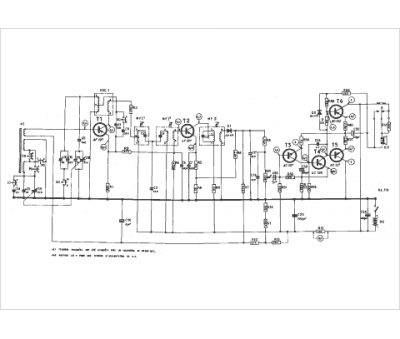
Marque :
Philips
Modèle :
11RL 274
Type appareil :
récepteur à tubes
Année :
1966
Pays d'origine :
Pays-Bas, Suisse, Espagne, Allemagne
