
Marque :
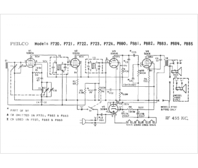
Philco
Modèle :
P 881
Type appareil :
récepteur à tubes
Année :
1966
Pays d'origine :
Grande-Bretagne, États-Unis
