
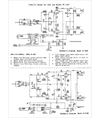
Marque :
Philco
Modèle :
M-1428
Type appareil :
récepteur à tubes
Année :
1964
Pays d'origine :
Grande-Bretagne, États-Unis
