
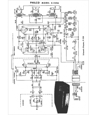
Marque :
Philco
Modèle :
K-1526
Type appareil :
récepteur à tubes
Année :
1962
Pays d'origine :
Grande-Bretagne, États-Unis
