
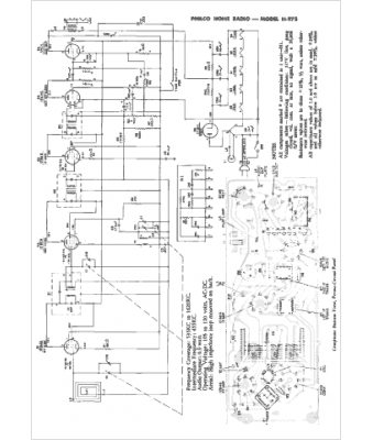
Marque :
Philco
Modèle :
H-973
Type appareil :
récepteur à tubes
Année :
1960
Pays d'origine :
Grande-Bretagne, États-Unis
