
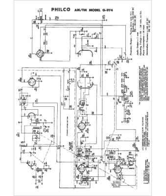
Marque :
Philco
Modèle :
G-974
Type appareil :
récepteur à tubes
Année :
1959
Pays d'origine :
Grande-Bretagne, États-Unis
