
Marque :
Philco
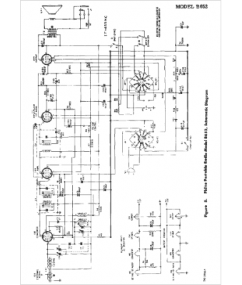
Modèle :
B652
Type appareil :
récepteur à tubes
Pays d'origine :
Grande-Bretagne, États-Unis
