
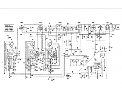
Marque :
Philco
Modèle :
96 VB
Type appareil :
récepteur à tubes
Pays d'origine :
Grande-Bretagne, États-Unis
