
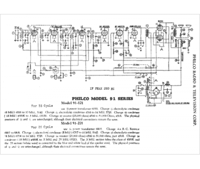
Marque :
Philco
Modèle :
91-221
Type appareil :
récepteur à tubes
Année :
1933
Pays d'origine :
Grande-Bretagne, États-Unis
