
Marque :
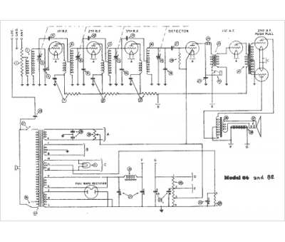
Philco
Modèle :
82
Type appareil :
récepteur à tubes
Année :
1938
Pays d'origine :
Grande-Bretagne, États-Unis
