
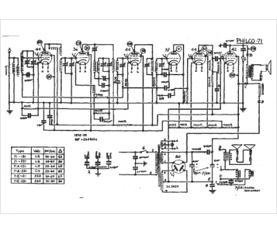
Marque :
Philco
Modèle :
71
Type appareil :
récepteur à tubes
Année :
1932
Pays d'origine :
Grande-Bretagne, États-Unis
