
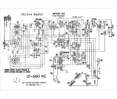
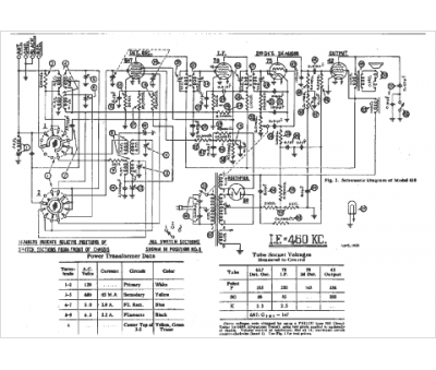
Marque :
Philco
Modèle :
610
Type appareil :
récepteur à tubes
Année :
1935
Pays d'origine :
Grande-Bretagne, États-Unis
