
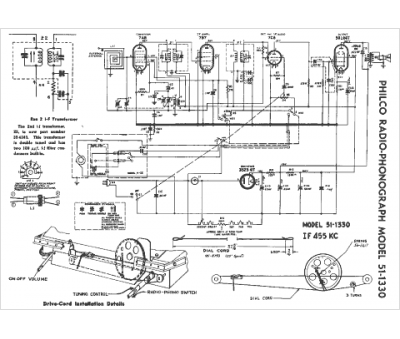
Marque :
Philco
Modèle :
51-1330
Type appareil :
récepteur à tubes
Année :
1951
Pays d'origine :
Grande-Bretagne, États-Unis
