
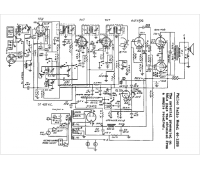
Marque :
Philco
Modèle :
46-1226
Type appareil :
récepteur à tubes
Année :
1948
Pays d'origine :
Grande-Bretagne, États-Unis
