
Marque :
Philco
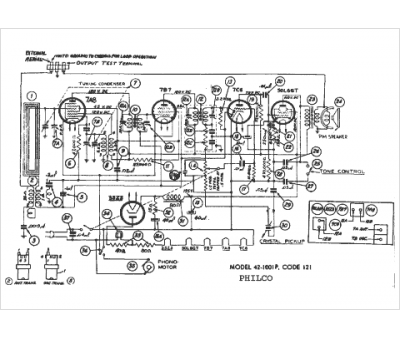
Modèle :
42-1001P
Type appareil :
récepteur à tubes
Année :
1942
Pays d'origine :
Grande-Bretagne, États-Unis
