
Marque :
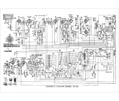
Philco
Modèle :
40-510
Type appareil :
récepteur à tubes
Année :
1940
Pays d'origine :
Grande-Bretagne, États-Unis
