
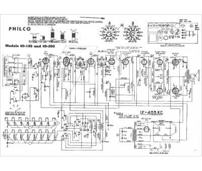
Marque :
Philco
Modèle :
40-195
Type appareil :
récepteur à tubes
Année :
1940
Pays d'origine :
Grande-Bretagne, États-Unis
