
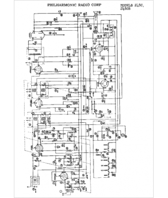
Marque :
Philarmonic
Modèle :
248CB
Type appareil :
récepteur à tubes
Année :
1949
Pays d'origine :
États-Unis
