
Marque :
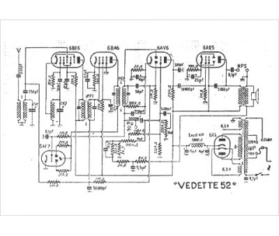
Perlor Radio
Modèle :
Vedette 52
Type appareil :
récepteur à tubes
Pays d'origine :
France
