
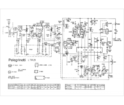
Marque :
Pellegrinetti
Modèle :
LTR 21
Type appareil :
récepteur à tubes
Pays d'origine :
Italie, Allemagne
