
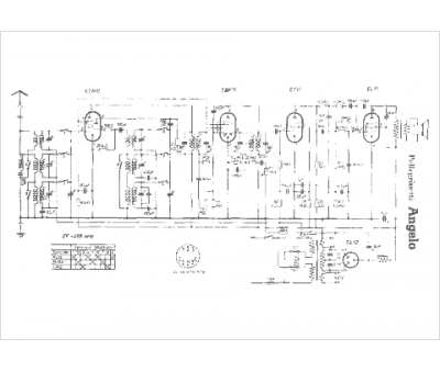
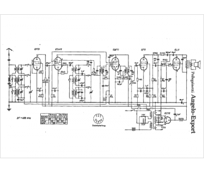
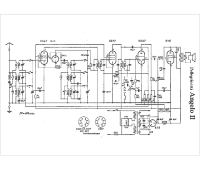
Marque :
Pellegrinetti
Modèle :
Angelo
Type appareil :
récepteur à tubes
Pays d'origine :
Italie, Allemagne
