
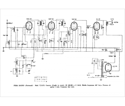
Marque :
Peba
Modèle :
U 52 B
Type appareil :
récepteur à tubes
Pays d'origine :
Italie
