
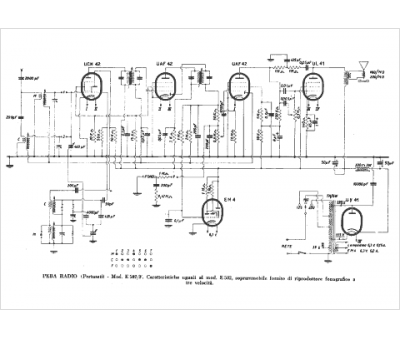
Marque :
Peba
Modèle :
E 502 F
Type appareil :
récepteur à tubes
Pays d'origine :
Italie
