
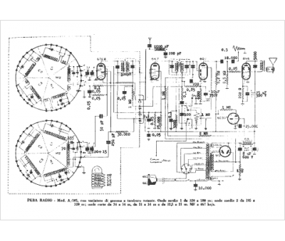
Marque :
Peba
Modèle :
A 505
Type appareil :
récepteur à tubes
Pays d'origine :
Italie
