
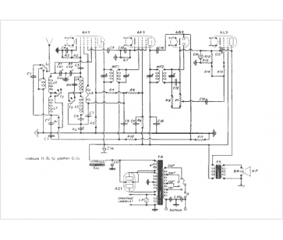
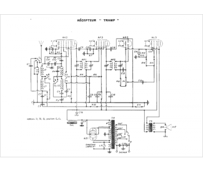
Marque :
Pathé
Modèle :
Tramp
Type appareil :
récepteur à tubes
Année :
1937
Pays d'origine :
France
