
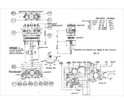
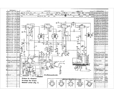
Marque :
Pathé
Modèle :
P653
Type appareil :
récepteur à tubes
Année :
1952
Pays d'origine :
France
