
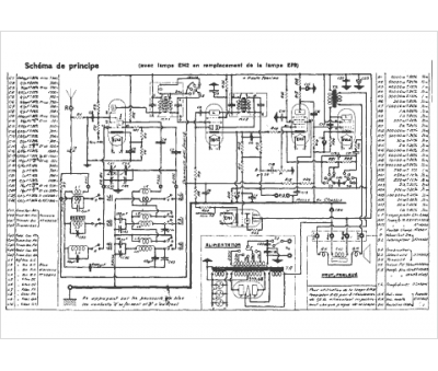
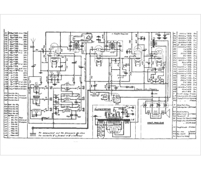
Marque :
Pathé
Modèle :
P640
Type appareil :
récepteur à tubes
Année :
1940
Pays d'origine :
France
