
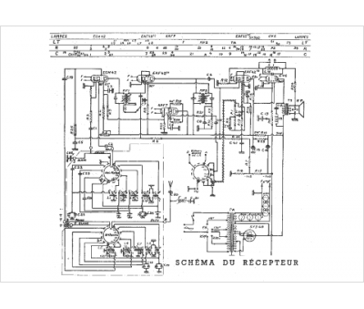
Marque :
Pathé
Modèle :
P600
Type appareil :
récepteur à tubes
Année :
1950
Pays d'origine :
France
