
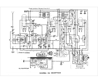
Marque :
Pathé
Modèle :
P540
Type appareil :
récepteur à tubes
Année :
1938
Pays d'origine :
France
