
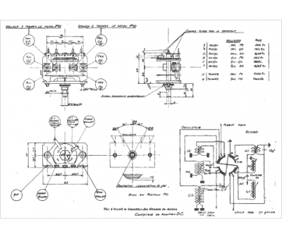
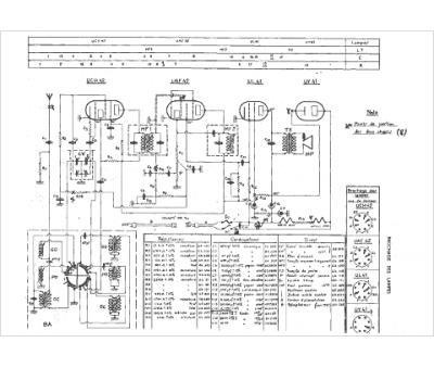
Marque :
Pathé
Modèle :
P451
Type appareil :
récepteur à tubes
Année :
1951
Pays d'origine :
France
