
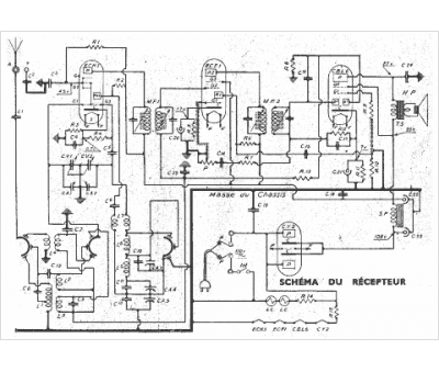
Marque :
Pathé
Modèle :
P105
Type appareil :
récepteur à tubes
Année :
1946
Pays d'origine :
France
